產品分類
球閥系列
蝶閥系列
風閥系列
氣動閥
電動閥
閘截止閥
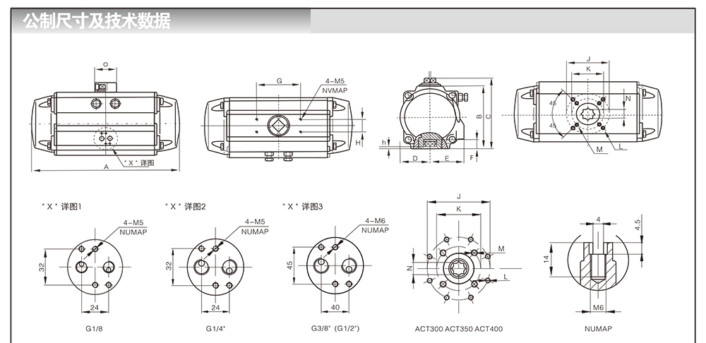
執行器
調節閥
BERSST
VEAPON
配件系列
SEFORT
AirTorque
i-Tork
SUNYEH
SIRCA
|
|
BERSST
【BERSST】氣動高溫通風蝶閥
氣缸品牌:VEAPON 氣缸形式:雙作用、單作用 閥體材質:碳鋼WCB、304/316 連接方式:法蘭 環境溫度:標準型-20℃~+80℃
QQ:362152520
電話/微信:18913311535
產品細節
1、法蘭連接 不銹鋼材質法蘭連接,啟閉靈活,操作方便 2、結構特點 通風風閥操力矩小,操作方便,省力靈巧 3、適用介質 煤氣、含塵氣體、煙道氣等 
|
|