閘閥和止回閥均是以截止與流通為目的通用閥門。閘閥關閉件閘板的運動方向與流體方向相垂直,以驅動裝置操作,屬強制密封閥門。止回閥關閉件閥瓣是利用閥前閥后的壓力差而自動啟閉的閥門,其作用是使介質只做一個方向的流動,而阻止其逆向流動,屬自動閥門。本文介紹一種在閘閥一側的流道空間通過結構設計置放一個止回閥閥瓣,使該閥具有一閥兩用功能。
2 閥門運動方式分析
2.1 閘閥
閘閥閥體的流道為直通式,閘板為斜5°的密封面與閥體中的閥座密封面相配合。閥門需要通過驅動手輪或電動執行器等裝置帶動閥桿螺母,使閥桿作上下升降運動,控制閥門的開啟和關閉。
2.2 旋啟式止回閥
旋啟式止回閥閥體的流道為直通式,閥瓣和閥體的密封面有一定的斜度,以便于密封。止回閥閥瓣是依靠管道內介質的壓力自動打開或者關閉閥門。
3 結構分析
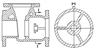
組合多用閥由閘閥與止回閥組成(圖1),閥體流道孔與閥門連接的管道內徑相同。止回閥體部分為管道狀,其流道的內徑在設計閘閥的計算中除去止回閥瓣最大面積以外應相當于流道面積(等于閘閥的DN尺寸),并以接近垂直法蘭內側面的最小直徑處方向終止。

![]()
圖1 組合多用閥
止回閥體部分的內壁均布有導向筋,導向筋從閥體中部向法蘭端延伸。導向筋的數量可根據組合閥尺寸大小設置,但至少有3條以上,以保證止回閥瓣大端外圓在運動中有較為穩定的同軸度。導向筋向閥體中部伸出的端面成直角垂直相連于支撐環筋板,并與支撐環連接成為一個整體,支撐環有利于止回閥瓣軸的承載與定位(圖2)。

![]()
圖2 閥體
止回閥體流道口處加工出內螺紋,與止回閥座環的外螺紋配合成螺紋副。
4 工作原理
如果生產中不允許管道中的介質倒流時,組合多用閥進口側(閘閥側)的流體壓力即可以推動止回閥瓣運動(圖3),與閥門出口側的止回閥座環(圖4)密封面接觸并形成密封。

圖3 止回閥瓣

圖4 止回閥座環
如閥門壓力較高時,閘閥可以選擇雙斜5°的設計,以減小在高壓狀態下閘板在運行中對閥體密封面的磨損。如果需要,可以考慮在止回閥瓣外圓面與軸環之間設置緩沖彈簧,以防止管道內的介質壓力形成紊流,引起震動撞擊止回閥密封面,產生噪聲或損傷密封件。
閘閥和止回閥組合的多用閥設計與制造方案容易實施,節省了一次性能源的消耗,保護了環境,降低了產品成本。